| Sign In | Join Free | My adobecards.com | 
 | 
Brand Name : ROYAL
Model Number : RTSP1200-PCB
Certification : CE
Place of Origin : Made in China
MOQ : 1 set
Price : negotiable
Payment Terms : L/C, T/T
Supply Ability : 6 sets per month
Delivery Time : 14 weeks
Packaging Details : Export standard, to be packed in new cases/cartons, suitable for long-distance ocean/air and inland transportation.
Coating Technology : Sputtering, Evaporation, Plasma Treater
Equipment Features : Robust Structure, Compact Footprint Design, High Efficiency And Precision Oepration Control
Coating Application : Electronic Paper, ITO Film, Flexible Circuits, Photovoltaic, Medical Strips And RFID.
Operation Control : Intuitive PLC And IPC Control
Service and Training : Available, From The USA Engineer And Technicians
Factory Location : Shanghai city, China
Worldwide Service : Poland - Europe; Iran- West Asia & Middle East, Turkey, India, Mexico- South America
Training Service : Machine operation, maintenance, coating process Recipes, program
Warranty : Limited warranty 1 year for free, whole life for machine
OEM & ODM : available, we support tailor made design and fabrication
Applications
The RTSP1215 machine is tailor-designed and made for cooper PCBs gold plating by sputtering deposition technology.
Everyone who are involved with the PCB industry knows that PCBs which have copper finishes on the surface requires a protective layer to protect it against from oxidize and deteriorate.
2 Years ago, we received a request from our customer, they were looking for a coating solution generate a fine gold and bronze colors on the copper PCBs which used for 5G SIM card, social security cards and smart cards module. We spent 6 months in R&D, over 20 times experiment to finalized the proper coating processes. In March 2020, we delivered the machine to customer’s site with a high accomplishment.
RTSP1215 plating system can deposit the metals: Au gold, Ag silver, Cu copper conductive families films; corrosion resistance metal families: Tantalum(Ta), Nickle (Ni), Chrome (Cr) etc.
 compounded films: carbon-based metal films, Nitride metal films.
PVD Gold Plating Advantages
Environmentally friendly process
Much lower production cost compared with conventional Gold electroplating
Excellent Life
Film thickness and uniformity are well controlled
Widely available, more options for end user
Key Features
Multiple deposition sources for fast deposition rate
Strong vacuum pumping system for a short cycle
Anode linear ion source to improve adhesion and high density of deposited films
6 units standard planar cathodes mounting flanges
Flexible coating processes applied
Modular structure design for fast exchange of cathodes and targets
5G circuit microchip SIM card emblem isolated on white background
 
 
 Technical Specifications
 
  
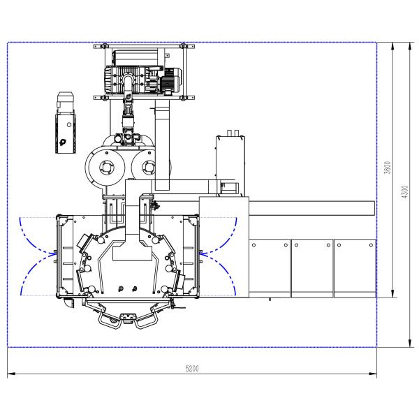
Model: RTSP1215
Chamber Material: SUS304
Chamber Size: Φ1200*1500mm (H)
Deposition Technology: Magnetron sputtering
Targets: Ta, Au, Ag, Ti,Cr,Zr, Ni, Cu, Graphite (C) etc
Vacuum Pumps: Mechanical Pump: 1x300m³/hr
Holding Pump:1x60m³/hr
Roots Pump: 1x300L/S
Turbo Molecular pump: 2x3500L/S
Gas System: MFC for reactive gas and inert working gas
Protective System: HMI program with Multiple Self-Lock design
Operation & Control System: PLC + Touch Screen
Cooling System: Recycle Cooling water
Heating System: Heaters with PDI thermal couple
Max. Power Consumption 130KW Approx.
Average Power Consumption 70KW Approx.
  
 Layout 
  
 
  
 Insite
  
Built Time: 2020
Location: Shanghai, China
  
 
  
  
 Please contact us for more specifications, Royal Technology is honored to provide you total coating solutions.
|   | 
| Printed Circuit Board PCB Gold Plating Equipment TiN Gold Sputtering Machine Images | 
 Metal Wire And Strip Vacuum Deposition Equipment Twisted Basalt Fibers Glass
                                                                                    
                        
                        
                        
                                                            Metal Wire And Strip Vacuum Deposition Equipment Twisted Basalt Fibers Glass
                                                    
                        
                     Cesium Iodide Thin Film Coating Machine, X-Ray High Imaging Screen Panel Vacuum
                                                                                    
                        
                        
                        
                                                            Cesium Iodide Thin Film Coating Machine, X-Ray High Imaging Screen Panel Vacuum
                                                    
                        
                     Crucible Evaporation Coating Equipment, Cesium Iodide Thin Film Deposition
                                                                                    
                        
                        
                        
                                                            Crucible Evaporation Coating Equipment, Cesium Iodide Thin Film Deposition
                                                    
                        
                     Inline Sputtering Coating System , Air To Air Continuous Magnetron Sputtering
                                                                                    
                        
                        
                        
                                                            Inline Sputtering Coating System , Air To Air Continuous Magnetron Sputtering
                                                    
                        
                     Diamond Like Carbon DLC PECVD Coating Equipment , PECVD Magnetron Sputtering
                                                                                    
                        
                        
                        
                                                            Diamond Like Carbon DLC PECVD Coating Equipment , PECVD Magnetron Sputtering
                                                    
                        
                     Thallium(I) iodide coating Machine, TII High Vacuum Deposition System, CsI
                                                                                    
                        
                        
                        
                                                            Thallium(I) iodide coating Machine, TII High Vacuum Deposition System, CsI
                                                    
                        
                     EMI Shileding Thin Film Vacuum Metallizing Equipment, NCVM and EMI Shielding
                                                                                    
                        
                        
                        
                                                            EMI Shileding Thin Film Vacuum Metallizing Equipment, NCVM and EMI Shielding
                                                    
                        
                     EMI Shielding Film Vacuum Deposition Machine , 2 Doors Chamber For Cellphone
                                                                                    
                        
                        
                        
                                                            EMI Shielding Film Vacuum Deposition Machine , 2 Doors Chamber For Cellphone
                                                    
                        
                     PVD Thin Film Deposition Systems Sputtering For Phone Case , Thermal Evaporation
                                                                                    
                        
                        
                        
                                                            PVD Thin Film Deposition Systems Sputtering For Phone Case , Thermal Evaporation
                                                    
                        
                     Copper Thin Film Coating Machine , Au Conductive Magnetron Sputtering Unit
                                                                                    
                        
                        
                        
                                                            Copper Thin Film Coating Machine , Au Conductive Magnetron Sputtering Unit